Miscellaneous Telephone Projects

2051 Tele-Flasher
2051 Telephone Ringer/Flasher Control

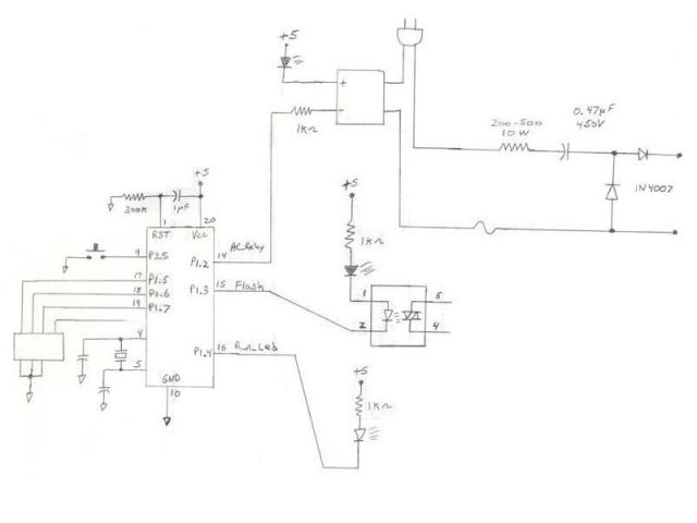
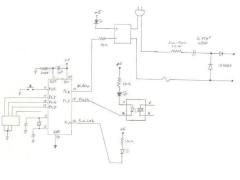
I conceived of my Atmel  AT89C2051 based telephone flasher, shown at right, as part of my computerized telephone system. I've always had trouble getting back to sleep after getting woken up by a phone call in the middle of the night. This project would address that problem. I wanted to be able to control, via software, how and when the ringer would ring. For example, the ringer shouldn't sound if it was after 11:00 PM on a weeknight, unless it was a family member calling. However, if I hadn't gotten to sleep and was in the kitchen whipping up a late night snack at 2:00 AM, and got a phone call, then the ringer should come on. In the cases where the ringer was set to NOT ring, then I wanted a strobe light to flash. I also wanted all of this to work with my distinctive ring numbers - that is, I wanted a unique strobe light pattern for each distinctive ring number.

I also thought I might one day want a small LCD display and keypad in every room to access my home automation system. So, it made sense to use a microcontroller for this project. I figured I would come up with a means of using 4 connector telephone wiring throughout the house to connect several 2051s in a multi-drop network configuration. Each would have a ringer and strobe light circuit, as well as a light sensor. If I was making my late night snack at 2:00 AM, the light sensor would see the lights were on in the kitchen, and then allow the ringer to come on for an early morning phone call.



I've enjoyed working on a variety of telephone projects over the years. One of my first "big" electronic projects was an intercom system between my house and a friends house, which I made when I was about 13. I used some telephones I found in someone's trash, two 6V lantern batteries, some little buzzers, and several hundred feet of telephone wire I found thrown away at a construction site. I ran the wires down the side of my house, behind peoples garages and over to my friends house about 8 houses down the street. I'd test it every 50 feet or so. We did get it working all the way from my bedroom to my friends house. When nighttime came, however, a neighborhood bully who had seen us putting in the wires ripped them all out. I guess that's why someone invented cordless phones.

A lot of the telephone projects I made I originally saw in electronic magazines. I'd build the circuit as it was in the magazine, then often make little changes to add new features. A few of these projects are shown below.



2051 Telephone Ringer/Flasher
2051 Telephone Ringer/Flasher
2051 Telephone Ringer/Flasher
2051 Telephone Ringer/Flasher
music-on-hold_tmbn.jpg
Music on Hold
Telephone Hold
Telephone Hold
Telephone Light Flasher
Telephone Light Flasher
Telephone Recording Control
Telephone Recording Control


Back to main projects page